<s id="jrnbk"><i id="jrnbk"><i id="jrnbk"></i></i></s>

        <th id="jrnbk"><style id="jrnbk"><label id="jrnbk"></label></style></th>

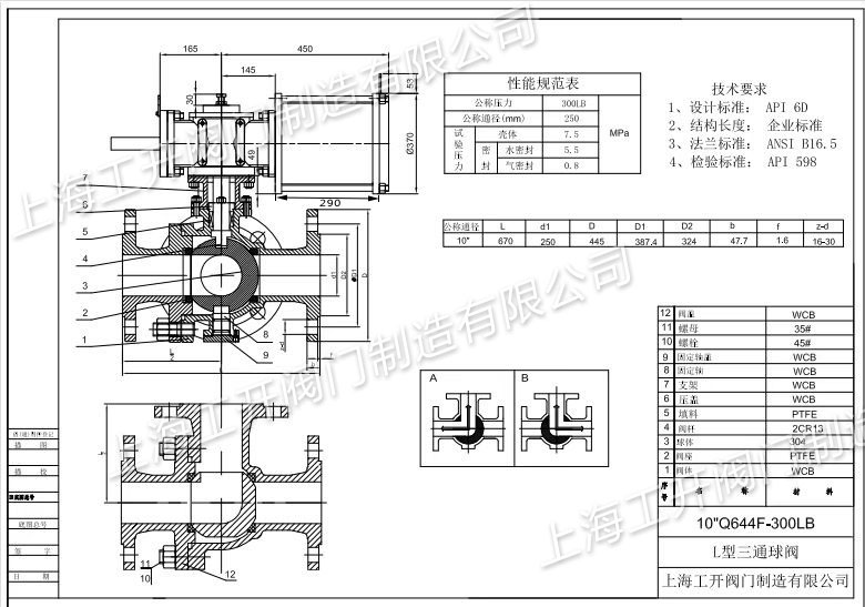
          閥門圖紙-美標氣動三通球閥Q644F-300LB-10''結(jié)構(gòu)尺寸圖

          2025/2/24 14:33:02??????點擊:
          美標氣動三通球閥Q644F-300LB-10''結(jié)構(gòu)尺寸圖紙-上海工開閥門

          <s id="jrnbk"><i id="jrnbk"><i id="jrnbk"></i></i></s>

              <th id="jrnbk"><style id="jrnbk"><label id="jrnbk"></label></style></th>
                裸体动态图 | 欧美激情成人 | 岛国激情片 | 成人影片一级在线看 | 久久三级网 | 69精品在线 | 娇妻玩3p被2个男人伺候了 | 一级片黄色电影 | 激情五月开心网 | 无遮挡又黄又刺激的视频 |