Introduction
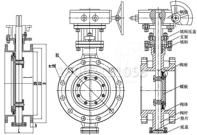
D343H Three Eccentric Hard Seal Butterfly Valve Main Zero Shape and Connection Dimensions
| 公稱通徑 | L | H | D343H | PN0.6MPa | PN1.0MPa |
參考重量 D343H |
||||||||
| 毫米 | 英寸 | 短 | 長(zhǎng) | H1 | A1 | B1 | D | D1 | Z-d | D | D1 | Z-d | (kg) | |
| 50 | 2 | 108 | 150 | 112 | 350 | 180 | 200 | 140 | 110 | 4-14 | 165 | 125 | 4-18 | 17 |
| 65 | 21/2 | 112 | 170 | 115 | 370 | 180 | 200 | 160 | 130 | 4-14 | 185 | 145 | 4-18 | 20 |
| 80 | 3 | 114 | 180 | 120 | 380 | 180 | 200 | 190 | 150 | 4-18 | 200 | 160 | 8-18 | 23 |
| 100 | 4 | 127 | 190 | 138 | 420 | 180 | 200 | 210 | 170 | 4-18 | 220 | 180 | 8-18 | 25 |
| 125 | 5 | 140 | 200 | 164 | 460 | 180 | 200 | 240 | 200 | 8-18 | 250 | 210 | 8-18 | 40 |
| 150 | 6 | 140 | 210 | 175 | 555 | 270 | 280 | 265 | 225 | 8-18 | 285 | 240 | 8-22 | 47 |
| 200 | 8 | 152 | 230 | 200 | 760 | 400 | 425 | 320 | 280 | 8-18 | 340 | 295 | 8-22 | 60 |
| 250 | 10 | 165 | 250 | 243 | 830 | 400 | 425 | 375 | 335 | 12-18 | 395 | 350 | 12-22 | 95 |
| 300 | 12 | 178 | 270 | 250 | 895 | 450 | 560 | 400 | 395 | 12-22 | 445 | 400 | 12-22 | 124 |
| 350 | 14 | 190 | 290 | 280 | 950 | 450 | 560 | 490 | 445 | 12-22 | 505 | 460 | 16-22 | 181 |
| 400 | 16 | 216 | 310 | 305 | 1190 | 535 | 580 | 540 | 495 | 16-22 | 565 | 515 | 16-26 | 260 |
| 450 | 18 | 222 | 330 | 350 | 1255 | 535 | 580 | 595 | 550 | 16-22 | 615 | 565 | 20-26 | 338 |
| 500 | 20 | 229 | 350 | 380 | 1305 | 535 | 580 | 645 | 600 | 20-22 | 670 | 620 | 20-26 | 360 |
| 600 | 24 | 267 | 390 | 445 | 1340 | 570 | 660 | 755 | 705 | 20-26 | 780 | 725 | 20-30 | 540 |
| 700 | 28 | 292 | 430 | 480 | 1520 | 750 | 550 | 860 | 810 | 24-26 | 895 | 840 | 24-30 | 580 |
| 800 | 32 | 318 | 470 | 530 | 1710 | 750 | 550 | 975 | 920 | 24-30 | 1015 | 950 | 24-33 | 845 |
| 900 | 36 | 330 | 510 | 580 | 1810 | 750 | 550 | 1075 | 1020 | 24-30 | 1115 | 1050 | 28-33 | 1050 |
| 1000 | 40 | 410 | 550 | 650 | 1960 | 900 | 750 | 1175 | 1120 | 28-30 | 1230 | 1160 | 28-36 | 1500 |
| 1200 | 48 | 470 | 630 | 760 | 2250 | 1000 | 925 | 1405 | 1340 | 32-33 | 1455 | 1380 | 32-39 | 2000 |
More Products






